Kategorije Navigacija

Viber/WhatsApp

+381 63 535 625

Kategorije Navigacija

Automatika Siemens LFL1.635

Šifra: 600174

Proizvođački broj: LFL1.635 | 600174

Siemens

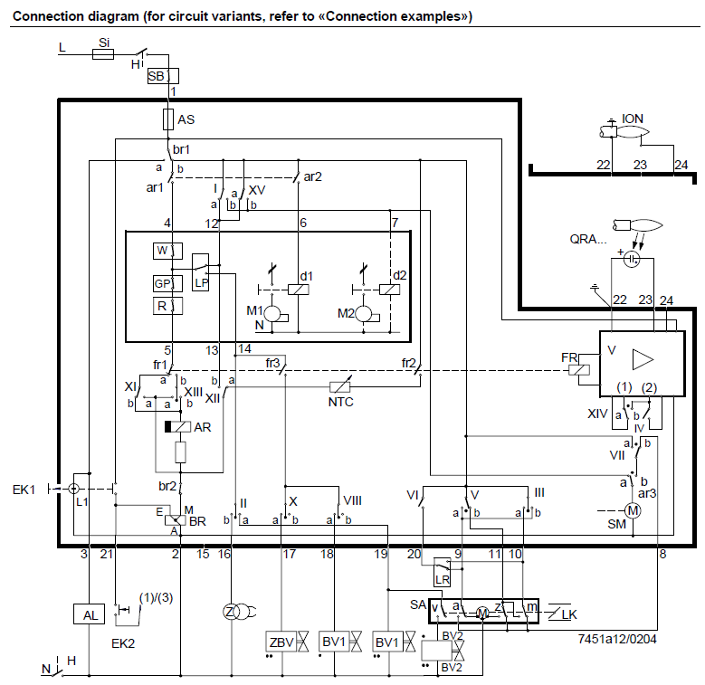
Automatika za višestepene ili modulacione gasne, uljne i dvo-gorivne gorionike srednjeg do velikog kapaciteta. Kontroliše vazdušnu klapnu. Mogući detektori plamena: UV detektor QRA2, QRA4, QRA10 ili jonizaciona elektroda. Mrežni napon AC230V. Sigurnosno vreme (TSA) 2,5 sekunde. Vreme pre čišćenja (t1) 66 sekundi. Drugo sigurnosno vreme (t9) 5 sekundi.

Tehnička dokumentacija
Uputstvo za instalaciju

Nema dostupne dokumentacije.

Sertifikati

Nema dostupne dokumentacije.

Katalog

Nema dostupnog kataloga.

Deklaracija

Ime proizvoda: Automatika Siemens LFL1.635

Šifra proizvoda: 600174

Brend: Siemens

Zemlja porekla: EU

Podelite:

Dopunite svoj izbor ovim proizvodima...